飞艇168官方开奖历史

在线客服
 
产品中心
您现在的位置:首页 >> 产品中心 > 轻触开关-Tact Switch > KFC-067
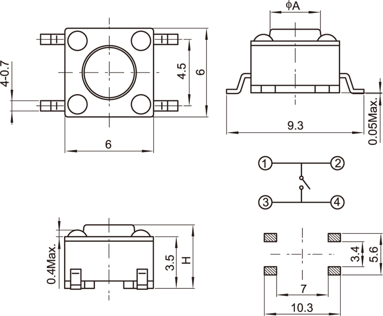
KFC-067
飞艇168官方开奖历史