飞艇168官方开奖历史
关闭
经理
销售部
外贸部1
外贸部2
给我们留言
在线客服
阿里巴巴
|
中文简体
|
ENGLISH
网站首页
HOME
关于我们
ABOUT US
产品中心
PRODUCTS
新闻资讯
NEWS
在线留言
FEEDBACK
飞艇168官方开奖历史
CONTACT
产品中心
船型开关-Rocker Switch
直键开关-Push Switch
轻触开关-Tact Switch
带灯轻触开关-Illuminated Tact Switch
按键开关-Press-Key Switch
拨动开关-Slide Switch
按钮开关-Push Button Switch
微动开关-Micro Switch
钮子开关-Toggle Switch
AV同芯插座系列
DC电源插座系列
6.35耳机插座系列
AC电源插座系列
金属按钮开关系列-Metal Push Button Switch
键帽系列-Switch Cap
防水帽系列-Waterproof Cap
产品中心
您现在的位置:
首页
>>
产品中心
>
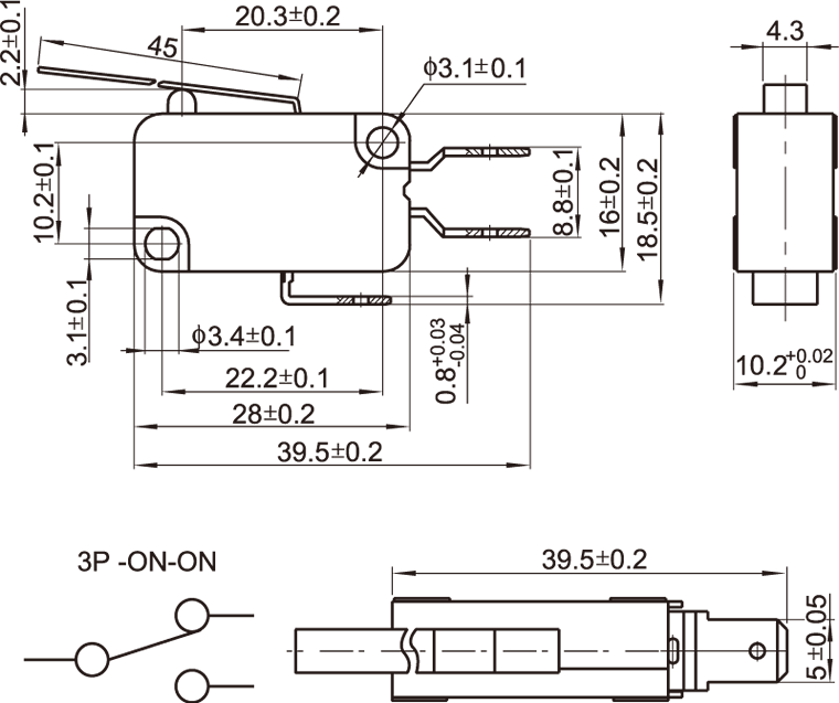
微动开关-Micro Switch
> KW3-02-05
KW3-02-05
快乐8昨天开奖结果
极速赛车亚军走势
PK102026开奖结果
快乐8本周亚军走势
时时彩本周第三名开奖记录