• 飞艇168官方开奖历史

    Online Service
     
    Products
    Position: Home >> Products > Tact Switch > KFC-028
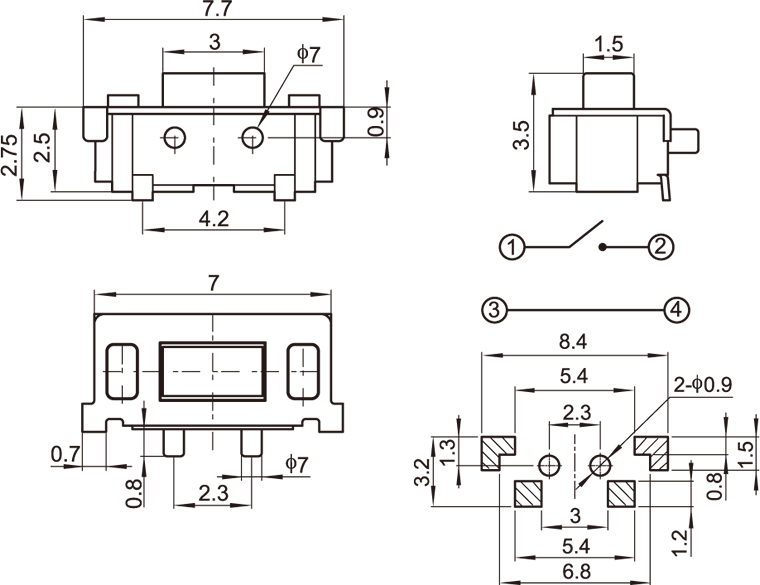
    KFC-028
    飞艇168官方开奖历史